Заказы не принимаем! Жду коммерческих предложений для совместного использования!   👉 Связь

Подвеска автомобиля, запчасти

Подвеска автомобиля, запчасти Интернет-магазин Константа-Сервис

Интернет-магазин КОНСТАНТА-СЕРВИС предлагает широкий ассортимент запчастей для подвески ходовой части вашего автомобиля. В нашем каталоге вы найдете все необходимое для ремонта и технического обслуживания подвески, включая амортизаторы, рессоры, пружины, рычаги, шаровые опоры, сайлентблоки, поворотные кулаки, стабилизаторы, втулки, стойки, ступицы, подшипники и многое другое.

Что такое подвеска ходовой части и ее значение

Подвеска ходовой части автомобиля играет немаловажную роль в обеспечении комфортной езды, управляемости и безопасности. Она состоит из разных компонентов, работающих вместе для поглощения ударов от неровностей дороги и обеспечения стабильности автомобиля.

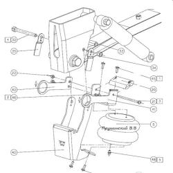
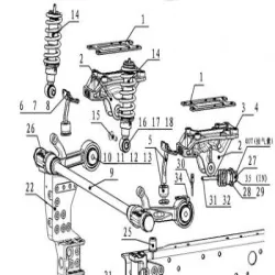
Основные компоненты подвески ходовой части

К основным компонентам подвески ходовой части входят:

  • Амортизаторы: поглощают удары и уменьшают колебания подвески.
  • Рессоры: обеспечивают поддержание веса автомобиля и поглощение неровностей дороги.
  • Пружины: обеспечивают амортизацию и поддержку автомобиля.
  • Важные: соединяют подвеску с кузовом автомобиля и обеспечивают плавность хода.
  • Шаровые опоры: обеспечивают подвижность подвески.
  • Сайлентблоки: поглощают вибрации и обеспечивают плавность хода.
  • Поворотный кулак: соединяет колеса с подвеской и обеспечивает поворотность.
  • Стабилизатор: уменьшает крен автомобиля при поворотах.
  • Втулки: обеспечивают плавность движения компонентов подвески.
  • Стойки: поддерживают стабильность и управляемость автомобиля.
  • Хуточина: обеспечивает крепление колеса к подвеске.
  • Подшипник: обеспечивает плавность вращения колеса.

Преимущества использования наших запчастей для подвески ходовой части

Использование запчастей от интернет-магазина КОНСТАНТА-СЕРВИС обеспечивает следующие преимущества:

  • Увеличение срока службы подвески благодаря высококачественным материалам.
  • Повышение эффективности и надежности работы подвески.
  • Улучшение управляемости и стабильности автомобиля на дороге.
  • Обеспечение комфорта езды благодаря высококачественным компонентам.

Производители и гарантия

Мы сотрудничаем с ведущими производителями запчастей для подвески ходовой части, такими как:

  • Monroe
  • Sachs
  • KYB
  • Bilstein
  • TRW

Каждый производитель гарантирует высокое качество и надежность продукции, что подтверждено соответствующими сертификатами. Гарантийные обязательства производятся непосредственно производителями товаров.

Преимущества покупки у КОНСТАНТА-СЕРВИС

Выбирая интернет-магазин КОНСТАНТА-СЕРВИС, вы получаете ряд преимуществ:

  • Широкий ассортимент запчастей для подвески ходовой части разных марок и моделей автомобилей.
  • Доступные цены и выгодные условия доставки по всей территории Украины.
  • Профессиональные консультации по выбору необходимых запчастей.
  • Оперативная обработка заказов и быстрая доставка.
  • Возможность возврата товара в течение 14 дней.

Автомобильные производители, использующие данные запчасти

Запчасти для подвески ходовой части от КОНСТАНТА-СЕРВИС подходят для многих автомобилей, среди которых:

  • Toyota
  • Honda
  • Ford
  • Chevrolet
  • Nissan
  • Volkswagen
  • BMW
  • Mercedes-Benz

Вывод

Покупая запчасти для подвески ходовой части автомобиля в интернет-магазине КОНСТАНТА-СЕРВИС, вы выбираете надежность, качество и эффективность. Наши специалисты всегда готовы помочь с выбором соответствующего товара и предоставить профессиональную консультацию. Заказывайте уже сегодня и убедитесь в наших преимуществах сами!